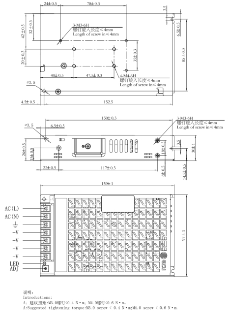
国产化平板电源ESG-150-24

产品特点

●全范围AC输入,DC输入

●小体积

●低待机功耗

●过流、过压、短路保护

●自然风冷(200W以下),温控风扇(250W以上)

●认证齐全

●三防版本可选

●12V、15V、36V、48V多输出规格可选